• Home
  • Games
    Action-adventure Simulation Business Role Playing Sports Competition Casual Intelligence Card Strategy Music Rhythm Text Puzzle Flying Shooting Love Development
  • Apps
    Business Office Newsletter Social Life Entertainment Online Shopping Practical Tools Travel Financial Management Educational Learning Information Reading Sports and Health
  • Articles

English 中文(简体) 中文(繁体) 한국어 日本語 Português Español Русский العربية Indonesia Deutsch Français ภาษาไทย
Home Apps Educational Learning MCU Board simulator (free)
MCU Board simulator (free)

MCU Board simulator (free)

1
2
3
4
5
Download
  • Version 1.10
  • Category Educational Learning
  • Package Name com.hkonstas.andmcufree
  • Update Time February 17, 2026
  • Size 1.09MB
About this app

Android MCU Prototype Board Simulator (free)

The MCU simulator for Android OS runs Assembly Language code similar to the 68705 MCU on a simulated on-screen prototype board. Great for embedded applications hobbyists, students, teachers or anyone who likes to experiment with Micro-controller CPUs and electronic prototype boards. It's fun for learning Assembly language as well!

AndMCU simulates both software and hardware. As on a real prototype board, your ASM code must configure the MCU I/O ports to control the hardware connected to it, such as lighting up segments on the digits, or reading keystrokes from the keypad or dip-switches.

You can use the simple built-in text editor or any Android text editor of your choice to write your assembly code and then load it into AndMCU to run it.

The built-in assembler has many useful directives such as step-by-step trace mode, break-points, dumping memory contents to an HTML file, adjusting the CPU speed and auto-running the loaded code. It supports the following opcodes (subset of the 68705 MCU instruction set):

NOP,CLC,CLI,SEC,SEI,STOP,SWI,TAX,TXA,LDA,LDX,STA,STX, ADD,ADC,CLR,CLRA,CLRX,DEC,DECA,DECX,INC,INCA,INCX,SUB,SBC,

AND,CMP,COM,COMA,COMX,CPX,EOR,LSL,LSLA,LSLX,LSR,LSRA,LSRX,

NEG,NEGA,ORA,ROL,ROLA,ROR,RORA,TST,TSTA,BRA,BSR,BCC,BCS,

BEQ,BNE,BHI,BLO,BLS,JMP,JSR,RTS,RTI,BCLR,BSET.

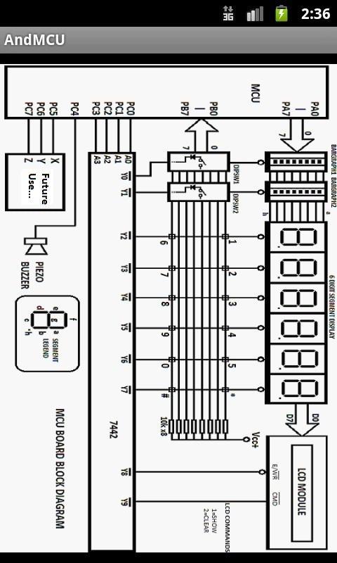
The AndMCU board simulates the following hardware components:

1) 8-Bit CPU with 3x 8-bit bi-directional ports.

2) 6 Digits display

3) 16-character LCD display

4) 2x 8-bit DIP Switches

5) 2x8 LED Bargraph displays

6) 12-key keypad

7) 1 piezo buzzer

8) External, Timer and Software Interrupts

9) 1 analog input (light sensor).

* Works on screen resolutions up to 1080 x 1920 (Full-HD).

(This is not a fast CPU emulator - it's a simulator for educational purposes. See documentation on AndMCU's website for more details.)

This is the Ad-supported version of AndMCU (free).

If you like this application please support further development by purchasing the Ad-free version from the Google Play Market. The Ad-free version also enables flick-scrolling for the built-in editor.

INTERNET-PERMISSION: Enabled for the Ad support (AdMob).

What's New in the Latest Version 1.10

Last updated on Sep 24, 2015 V.1.10 June 5, 2013: Bug fixes: clear trace mode and reset CPU speed after loading a new file.
V.1.09 March 22, 2013: Adapted for Full-HD screen resolutions (up to 1080x1920).
Download(1.09MB)
Users also viewed
  • ANIMAL MATH

    ANIMAL MATH

    1.1.3 March 1, 2026
  • Kids Learn

    Kids Learn

    1.0.2 March 1, 2026
  • Petroleum Engineering Drilling

    Petroleum Engineering Drilling

    1.00 March 1, 2026
  • Gymchess

    Gymchess

    1.4.1 March 1, 2026
  • Manipal WiFi

    Manipal WiFi

    3.02 March 1, 2026
  • ONLINE POLICY STATUS PFIGER

    ONLINE POLICY STATUS PFIGER

    1.3.7 February 28, 2026
  • iTooch 5th Grade Science

    iTooch 5th Grade Science

    4.6.2 February 27, 2026
  • Blackstone Management

    Blackstone Management

    8.34 February 26, 2026
  • PAYCALL

    PAYCALL

    1.3.12 February 26, 2026
  • Islamic Names | Quranic Names

    Islamic Names | Quranic Names

    2.0 February 26, 2026
  • Connect 2.0

    Connect 2.0

    1.0.6.130 February 24, 2026
  • Grammar : Super Edition Lite

    Grammar : Super Edition Lite

    16-Jul-2024 February 24, 2026
  • Grammar : Change of Voice Lite

    Grammar : Change of Voice Lite

    16-Jul-2024 February 23, 2026
  • Satchel One

    Satchel One

    10.2.1 February 23, 2026
  • Open University

    Open University

    1.9.8.1.1 February 22, 2026
About Privacy Policy Terms of Service Cooking Policy

© Copyright 2017-2026 downzr.com